Auxiliary Fuse Box
Scott Hanks & Gadget
One of the most frequently asked questions on motorcycle forums (somewhere behind "what oil should I use" and "what tires should I buy" is "how do I add electrical accessories"? With a Vulcan 1500/1600 we have auxiliary connectors under the seat and either under the gas tank (1500) or in the headlight bucket (1600) but those connections are limited to 10 amps and are unswitched.
Here's the best way to add electrical accessories, install an auxiliary
fuse box. As you can see from the photo (thanks to
easternbeaver.com) there are sizes and capacities to suit just about any
need. Most are small enough to install under the left side cover or
under the seat and the beauty is, most will handle more amps than your charging
system can probably produce, you can use the appropriate fuse and wire
gauge for whatever you're installing and the fuse box can be switched on/off
with your key using an ordinary 12 volt, 4 post relay (or not, your choice).
Auxiliary fuse boxes are available from many sources, maybe even your local auto supply store. J.C. Whitney has them, Cycle Gadgets has them, Electrical Connection has them. I've found Easternbeaver.com has the widest selection, the best pricing and all of their boxes can be purchased with a ready made wiring harness if you'd rather not make your own.
So, now that we know 'where' we need to know 'what'. What do you think your future needs will be? Will you be adding spotlights? An air horn? Radio? Trailer? All those items (and more) should be connected to a switched circuit with their own fuse. If you only think you'll be adding two or three items in the future then get a 4 fuse box (1 spare for that unexpected item). If you want items connected to the box to turn off when you shut the bike down you'll also need a relay
Once you
have your fuse box, determine where you want to mount it remembering you'll be
running wire from it 'to'
your accessory so find someplace where you won't be cramped for
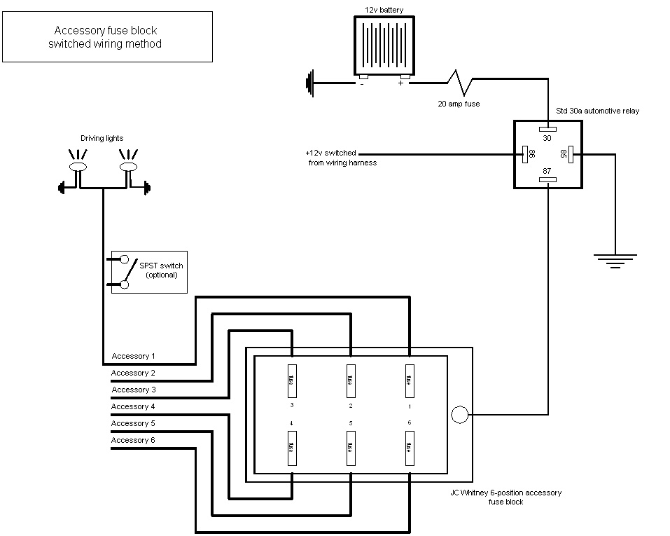
space. The actual connection is very easy. Scott Hanks has
drawn up the diagram shown at right (click it for a full size image) which
allows the aux fuse box to be switched with your key.
Each fuse box will connect just a little differently but all will have a place to connect 12 volt + from your battery. In the drawing that's the line that goes from the right side of the box then up to post 87 on the relay. Inside the box that post feeds all the fuses which then allow power to run to your accessory. Notice Scott has shown a set of spotlights as an example. Most accessories will connect the same way.
Post 86 from
the relay is the one that stumps many people. Where does it connect?
The simple place is the tail light wire. Keep in mind a relay uses very
little power (around a quarter amp) so only adds negligible load to the existing
circuit. This is the wire that allows your fuse box to be
switched with the key. Post 85 from the relay connects to
ground. On a Vulcan that's any black/yellow wire or directly to the
negative post of the battery. Post 30 of the relay goes directly to
the positive side of the battery. Notice the fuse in the drawing
which should be placed as close to the battery connection as possible.
That fuse and the wire size for connections to posts 30 and 87 should be
appropriate for the current draw you're expecting. You'll find a wire size
chart here. Wire size from your
auxiliary fuse box to the accessory should also be appropriate but will
generally be much smaller than the main power wire.
As mentioned earlier you can purchase a fancy wire harness (photo from Easternbeaver.com at right) ready to connect the fuse box to your bike. It will include wire, relay and fuse or you can purchase those items separately for a small fraction of the price at any auto supply store.
Happy wiring!