Electronic Cruise Control
For Nomad & Classic FI 1500 & 1600

Let's begin with the disclaimer shall we?
This is not an attempt to scare anyone off the project but it is NOT a task for the timid. You will be involved with a considerable amount of electrical wiring, you will be slightly modifying the inner liner of your left side cover box ( just drilling some holes and making one slot), you will be cutting a vacuum hose (just a tiny one), you will be removing the gas tank (no getting around it this time) and you will have to READ THE INSTRUCTIONS very carefully. Click Here to see the AudioVox instruction manual in .PDF format. Not gone yet? Great!
I wasn't kidding about reading the instructions. This page will go into tremendous (sometimes over the top) detail and there will be many pictures and drawings to help. After reading everything on the page I would strongly suggest printing it all, even the full size pictures (get them by clicking on thumbnails) and put it all in a binder of some sort so you don't end up with paperwork scattered all over the garage. You may also want to check things off as you go or (shades of college) write in the margins so a pen clipped or tied to the binder wouldn't be a bad idea.
You can install the Audiovox kit using only the parts that come in the box. Bob Sanders has done this (as have hundreds of other owners). His parts list (all items in the kit) and how he used each of them is listed separately near the bottom of this page here. You'll also find alternate ways to the same end provided by Max French here. Notice the photos on this page show a modification made to the left side cover inner liner on a 1500 Vulcan. If you have a 1600 take a look at this page that shows how you need to modify your liner. Don't panic, it's only plastic.
Nomad and Classic owners who have followed the instructions posted here (along with those that came with the Audiovox unit) report it is a reasonably easy job when broken down into individual components.
Ok, lets do this. The following instructions are in sections. We start with "what you need" and work our way through tools, electrical and vacuum (and occasionally back again). Take it section by section and you'll discover it really isn't that hard a job. Challenging? Yes. Hard? No.
What You'll Need
1- Audiovox CCS-100 Cruise Control Kit This is available (at this writing) through J.C. Whitney on this page . I suggest you shop around on the Internet for best pricing.
1- #2-970 Vacuum check valve from NAPA or equivalent
1- 2" PVC slip-on coupling, (not a repair coupling, which are shorter in length) the length should be almost 3" long. You 'might' be able to find this part at a large hardware store like Lowes or Home Depot but more likely a plumbing supply business that deals with PVC pipe (sprinkler systems) on a regular basis. See Picture #14
2- 2" PVC slip-on plugs (not caps) close to 1 7/16" in length. As above if you can't find these parts at a hardware store check a plumbing supply. See Picture #14
2- Brass elbows, 1/8" male pipe thread x 1/8" female pipe thread
2- Brass adapters, 1/8" male pipe thread x 3/16" barbed end (for connecting vacuum hose)
1- Small can PVC pipe glue
1- Small can PVC cleaner
1- Teflon tape
4- 3/16" thick spacers (to hold the side cover inner liner slightly away from the bike. A couple of thick washers will do or find some plastic spacers as shown in Picture #11
1- Piece of firm foam to fit behind the vacuum canister as shown in picture #4
Assorted sizes of shrink tubing to insulate electrical connections
1- Tachometer adapter circuit if you're installing on a bike with single fire ignition (VN900 & VN2000)
Basic tools should include
Allen wrenches
1/8" pipe thread tap (so brass fittings can be screwed into the vacuum reservoir)
Needle nose pliers (unless you have really tiny fingers)
Heat gun or cigarette lighter for shrink tubing
Assorted metric sockets
Screwdrivers
If you're modifying your own side cover
Electric drill & bits
If you'll be making your own brackets a full machine shop would be nice but you can probably get away with a Dremel
tool. A Dremel tool is also handy for modifying the inner liner of the side cover.
Installation
This has already been said but let me say it again. Please read these instructions and those that come with
the Audiovox unit completely through before beginning. It is extremely important you be familiar with
all procedures before digging in.
The Installation begins with the set-up of the DIP SWITCHES or what Audiovox calls, "PROGRAMMING THE
SERVO ASSEMBLY". Remove the cover on the back of the servo unit and set the switches to the following
positions
SW # 1 = ON
SW # 2 = OFF (You are setting these two switches for 4000 PPM since this is a manual transmission vehicle and will operate from the TACH signal only.
SW # 3 = OFF (TACH signal only)
SW # 4 = OFF
SW # 5 = OFF (These settings are for "Medium Sensitivity" You may decide later to change settings for "Low Sensitivity" if the bike seems jerky or is too reactive for your particular riding environment or to "high" sensitivity if you live in an area with very hilly terrain and you want the CC to react quickly to elevation changes.. Go with "medium" first.)
SW # 6 = OFF (The Dash Mounted Control Switch supplied in the kit is a Normally Open type.)
SW # 7 = ON (TACH source only)
VERY IMPORTANT: REMOVE THE WIRE JUMPER UNDER THE L.E.D AT THE LEFT OF THE
DIP SWITCHES. This is to enable the feature that lets your cruise control disconnect when the clutch is applied.
This works by sensing a sudden increase in engine RPM caused by disengaging the clutch. The system works
very quickly with RPM only going up by about 50 before the Cruise Control is cancelled. Note, you can
'resume' the originally set speed by pressing the 'resume' button.
Do Not Put The Cover Back On The Servo Yet . Set the servo aside,
we'll move on to the next project
The Vacuum System
The Vacuum Reservoir can be made with PVC fittings as follows: (BTW, this canister provides 15 cu. in. of vacuum, more than sufficient vacuum for small engine like this) For the Nomad and Classic you can NOT use the accessory AudioVox control vacuum canister sold by J.C. Whitney. The commercially available canister measures 4" tall and 3.5" wide so it's 5/8" too wide to fit between the inner liner and outer side cover. There's another alternative provided by Cactus Jack at the bottom of the page here. It's especially useful for those who've already filled the left side cover with engine management modules or auxiliary fuse boxes.
Begin assembling your canister (shown unassembled in Picture 14 and completely assembled in Picture #4 below) by drilling the two holes for the brass fittings on the end of one of the plugs (5/16") (this step needs to be done first, to allow the last PVC plug to go in, and for the glue to dry inside the reservoir)
Assemble the reservoir by first cleaning all components with PVC cleaner (you must do this to prevent leaks) then gluing the two plugs inside the coupling, don’t push the plugs all the way in, they should be left ½" from the bottom, the entire assembly should be around 4-11/16" long, after the PVC cement is completely dry the reservoir can be painted with Krylon semi-flat black paint to match other components, then the holes should be tapped in the end of the top PVC plug with a 1/8" pipe thread tap, the brass elbows can now be screwed into the cap using Teflon tape in the thread. Next install the barb fittings on the elbows using Teflon tape. The assembly will be mounted in the compartment as shown in picture # 4 and #5 below.
Set the vacuum canister aside and modify your left side compartment
Remove the outside cover (the one with the lock) and set aside. You won't modify this part at all.
Remove the box where the tools are located in the bottom (this part is not going to be re-used, relocate the tools in the place of your choice. If you have a California bike you will have to remove or relocate the charcoal canister. If you are removing it just disconnect the two hoses and connect the hoses together using the straight through plastic barbed fitting you'll find in the CC kit (part # 7). Remove the inside compartment by removing the four bolts that support it to the frame, these bolts will be reused.
The bracket for the Servo Assembly should be modified as shown in picture # 2 (you can do this by simply bending the bracket around the servo or the more involved bend shown) and installed in the compartment as in picture # 4. Where the cable leaves the compartment (note arrow in picture) a cut should be made to accommodate it. The Servo orientation seems to vary slightly depending where the factory drilled mounting holes for the bracket. Ideally the vacuum fitting will be oriented upward slightly. Before installing the Servo you need to connect the supplied wiring harness. There is only one way to plug it in successfully. Note location of the blank.
If you haven't already done so this is the time to remove the seat (two 10 mm bolts, one on each side at the rear of the seat. Remove the bolts and lift seat from the front) and gas tank. If you've never removed your tank before refer to the instructions on this fixit page. Set the tank aside in a safe spot where you won't trip over it.
Install the vacuum canister and servo in your modified side cover as shown in picture #5 (below) using zip ties.
You will install your modified compartment on the bike using with four spacers 3/16" thick as shown in picture # 11 to provide room for the screws and ties in the back. The spacers are necessary to allow for the servo bracket mounting screws and zip ties between the compartment and the battery box. For now just slip the compartment into place and install a single bolt to prevent movement. Don't bolt it down completely yet.
Time to make the servo cable run
Look at your frame about the center of where the gas tank would be and you'll note a round cross tube. Route the servo cable out of the side cover, along the left upper frame tube and then 'through' the frame (left to right) where that cross tube is. There is a lot of "stuff" in that area so use a flashlight and route the cable slowly through the area so it isn't touching anything that might move with the engine (we don't need hoses chafing). Once through the frame route the cable down the right side of the air box (as you're facing the right side of the bike) and loop it 'under the air box. We really lucked out here, the cable is precisely the correct length for our application. Whew!
Eventually you might want to cover the cable with 1/4" (chrome?) wire loom but there's no need for that right now.
Remove the right side air box and set aside.
Remove the backing plate by removing two screws holding the backing plate to the air tunnel, one chrome (go figure) bolt and several Allen head screws holding the backing plate to the throttle body. Also unclamp and remove the two small air hoses from the idle air solenoids where they seem to 'enter' the air box. Pull the backing plate away from the bike. You can let it hang from the small hose and wiring harness at the bottom or use a little bit of utility wire and secure it out of the way.
On the handlebar, remove the two screws holding the right side switch box together. Unhook the "return" cable from the throttle to allow slack at the other end.
Find this eyelet in the Audiovox kit.
You'll have to drill the center out just a bit so it will fit over the throttle open
cable attachment on the bellcrank.
Take a careful look at this picture
See how the eyelet is connected to the bellcrank? To get it there
you'll have to manually open the throttle, pop out the cable end, slip on the
eyelet then re-assemble.
Now you can connect the chain supplied in the kit, Audiovox part #24 to the eyelet. Do not connect the chain to your servo cable yet.
Connect
the cable to your throttle body using the clamp in the Audiovox kit as shown in
the picture (left) Refer to 'Bob's list of parts' for the
items you'll need. When the cable is secured to your throttle body
and everything is connected your assembly will look similar to the photo at
left. Now determine the amount of chain you'll need leaving about 2
mm of slack and cut off the excess chain. Connect chain to the cable using
parts from the kit. Note you 'can' connect the cable directly to the
eyelet but it's difficult to build in slack that way.
Also note after some use the cable will stretch just a little so you may have to go back and adjust the amount of slack again.
When all parts are tightened and after you've checked for binding or interference, re-assemble the right side air box and your throttle.
You're finished with the mechanical portion of the project.
Now we move to the installation of the vacuum hose to the engine source and this might exercise your patience just a bit. You'll be reaching down into a very crowded space atop the throttle body to cut a vacuum line and insert the small "T" fitting in the CC kit. Not to worry, it can be done...just don't start it if you're already pissed off at something else. Calm now? Ok.
If you're working on a 1500 FI reference this photo for Nomad and Classic 1500 FI's
from the
Service Manual where there is an arrow and notation to CUT HERE. With that photo in hand stand over
your bike and look down on the top of the engine (note arrow in picture points to front of bike) just behind that
tubular cross bar referenced earlier. Get some light in there and you'll notice it matches exactly
with the photo. Find the vacuum hose the arrow points to. Check again. Check again.
If you're sure it's the correct hose cut it in half. Unless you have piano player fingers
you'll need to hold one half of the hose with needle nose pliers while you push and twist and wrestle the "T"
fitting into the hose. A little bit of silicone spray or high vacuum grease (a very thick silicone grease
used in the air conditioning trade) will help ease the struggle somewhat. Don't call it done
prematurely, make sure the "T" fitting can't pull loose from the hose. Got it? Now
connect the left side. This is easier if you completely remove the little hose from the valve it's
connected to. Push it off with a screwdriver (don't let it fall into the black hole). Using your pliers
again attach the hose to the "T" fitting then re-attach to the valve. Another option if there's
no way you'll be able to get your fingers in there. Just slip the hose described above off the connection on the
left side, slip your "T" into the hose then use a couple of inches of the supplied hose in the kit to
go from the left side of the "T" back to the gizmo you removed the stock hose from.
The vacuum hose is in a slightly different location on the 1600 Nomad/Classic
The picture is from the Kawasaki 1600 service manual. The vacuum hose you need is labeled
"C" in the picture.
Now connect the long vacuum hose (part #10) supplied with the Audiovox kit to the remaining arm of the "T" fitting. Route the hose back to the left side cover via the same route you used for the servo cable. You'll have too much tubing (a good thing). Find a suitable place inside the left side cover to place the vacuum check valve and (making sure you've allowed some slack for proper routing of the hose) cut the hose. Attach the black side of the check valve to this vacuum source hose. Attach some hose to the other (blue) side of the check valve and that hose to one of the barbed fittings on your vacuum canister. (If you purchase a check valve different from the one shown in picture #12 check to be sure air will only flow toward the engine and not back toward the vacuum canister.) The other barbed fitting on the canister can now be connected with your remaining hose (or portion of it) to the vacuum connection on the servo assembly.
Vacuum work done!
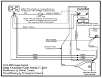
Electrical Connections:
Ok this is going to be the time consuming part mainly because you'll want to double check connections and be very tidy. If possible all connections should be soldered. While this isn't an absolute requirement soldered joints will take up less room than crimp connectors and will provide a far more reliable electrical connection.
Note the wiring diagram and the text where you will have some options. Some riders prefer making all wiring connections under the seat, others don't have any problem with making some connections in the headlight bucket. The power, ground and switch lighting connections can go either place. My suggestion would be to connect power (red) ground (black) and switch lighting (gray) in the headlight bucket, all other wiring under the seat.
Connections will be as follows:
Wires from the switch:
Green = connect to Green wire in the Servo Assembly
Black = connect to the battery. negative terminal.
Grey = This wire provides lighting for the switch. Connect to any powered wire (except bulb) in your headlight bucket or the Red/Blue wire out of the fuse box (power before brake switch).
Yellow = connect to Yellow wire in Servo Assembly.
Brown = connect to Brown wire in the Servo Assembly
Red with 3 amp fuse = connect to battery, positive terminal or any wire in the headlight bucket with 12 volts switched as with gray wire.
Wires from Servo Assembly:
Please note special instructions for single fire ignitions below
Dark Blue = connect to Black wire from the Electronic Control Unit (E.C.U.) (you need to remove
the bracket on top of the battery and lift the E.C.U. to access this wire) this wire is the only black
wire from the ECU and supplies power to coil no. 1.
OPTION....You can run the dark blue wire
into the engine compartment (along the route you'll take with the rest of the switch harness) and connect directly
to the right side coil using this type of connector. You'll find them at Volkswagen dealers or businesses that do VW
Beetle mods (sand buggies etc) as shown in picture (right). The special connector allows you to connect the blue wire and the original
coil ground
to the same post on the coil. If you can't find this connector you can make a simple pigtail
(photo left) using one female spade connector and two male connectors.
Slip two short pieces
of wire into the female connector and solder. On the ends of the two pieces of wire solder (don't crimp because
they'll come apart eventually) male connectors. The female connector will be attached to the coil, the male connectors
will attach to the servo and the black wire you removed from the coil.
Special Instruction for Single Fire Ignition
If
you're installing on a VN900 or VN2000 you're going to need a tachometer
adapter, the same simple circuit used to make a tachometer work properly
on your bike. You can spend $20 or more to purchase the adapter or
simply make your own for less than $1 in parts. Click
Here for the circuit diagram. Another heads up for owners
of these bikes, be sure the noise suppressor (part of the blue wire from the
servo) is installed outside of the coil box. There is too much
electronic noise inside the box for the filter to quash and your cruise control
won't work properly with the filter next to the coil.
Now, back to our wire connections
Black = connect to battery, negative terminal.
Green, Yellow and Brown, (are all ready explained in the switch connection above).
Purple = connect to Blue wire, (power after the front and rear brake) the location of the wire is
under the drivers seat, on top of the rear fender, where the wires goes to the rear lights.
Red = connect to Red/Blue wire, out of the junction box, (connect together with Grey wire from
the Switch mentioned above, this is power before brake switch fused at the junction box). Option both wires can also be connected to any source under the seat that's always powered with the key on. Your tail light wire is the best choice here.
Grey (two wires inside harness) = not to be connected (discharge). You can cut this off at the servo.
Let's tackle the Control Switch first. Job one will be weather proofing the switch. Very carefully pry the switch module open. Place the rubber membrane in your hand and run around the outer edge (front side) with an extremely thin coating of silicon glue or other sealer that will dry clear. DO NOT USE TOO MUCH or you will spend an extra half hour taking the switch apart again and cleaning the excess from the contacts. Take it from one who's been there, done that. Do not skip this step figuring you'll never be riding the bike in the rain. At some point you'll probably want to wash the bike and water from the hose will get inside and ruin your day.
Mount the switch any way you care to. You can use double sided tape (marked for outdoor use) to stick
the switch module to your right switch box or you can spend a little time getting fancy. What you see
at left is a bracket I made from 2"x2" aluminum angle stock.
For the moment just tack the switch box in place with a tiny piece of double sided tape (just
in case you have to take it apart again because you used too much sealer).
With your servo in place on the left side of the bike, route the appropriate wiring (shown above) under the left frame tube, under the battery hold down bracket and then carefully fish it up into the engine compartment routing along the stock wire loom. Neatness doesn't count just yet. When you get to the top of the frame follow other wires/cables up 'under' the triple tree, through the slot provided for cables. Now using just the pin connectors (forget about the white plastic things in the kit, they're too bulky) lightly (because you'll be taking them apart again) connect the like colored wires together (green, yellow, brown) You have an option with the Red and Black wires. You can run them all the way back to the battery or you can connect them (suggested) inside the headlight bucket. Black would go to a ground wire (black with yellow stripe) and red to any wire (not headlight) that has 12 volts anytime the key is turned on. Be sure to use the provided fuse even if you have to cut the wire and re-solder it (making it shorter) for use inside the headlight bucket. If you decide to extend the black/red wires to the battery you'll want the fuse under the seat. You'll have to splice some extra wire into the center of the red/orange harness to make this work. This same tactic applies to the Gray wire from the switch which can be connected to any wire in the headlight bucket that is powered with the key on (the front running lights are good for this) or can be run to the fuse box as shown in the circuit diagram. The gray wire is providing power for the LED lighting in the switch.
Now that you've decided on your wire runs it's a good time to cover all those multiple colors with a bit of shrink tubing. 1/4" does the trick nicely. There's no need to apply heat and actually shrink the tubing, it's just there for looks. Zip tie the tubing to an existing cable (now neatness is beginning to count)
With all wires connected together from switch to module begin pulling slack toward the rear (module) with a loop forming outside the side cover area. Zip tie all wiring under the tank to the existing wiring harness (your choice whether to cover this wiring with a loom).
Run wiring from the module to proper sources as shown in the diagram but don't connect yet. Take the loop of slack you've created from the switch harness and remove as much of the wire as you're comfortable removing. You'll be soldering the two ends of each remaining piece (module to switch) so cut in a stagger so all the shrink tubing doesn't end up in the same spot. When all cuts are made and the ends soldered you will not only have a lot of extra wire on the floor, you will have a nice tidy harness suitable for covering by 1/4" wire loom of your choice available from most automotive outlets and electronics stores.
Arrange the module wiring to match the slack loop you've created in wiring from the switch and make your connections under the seat as shown in the diagram.
Electrical Connections are completed. Wah Hoo!
Now, before getting all excited and starting the bike while it's still on your lift (at odds with the lawyerly advice in the instruction manual) this would be a good time to check your work and avoid multiple (frustrating) test runs...trust me again here ok?
Remember that LED inside your servo unit? This is why it was recommended you not replace the cover at the top of these instructions. Turn on your ignition key and note the cruise control switch box. The buttons should be illuminated. Press the "on" button and a green LED should come on in the center. It worked? GREAT! Now, using a mirror (or someone with a really tiny face) look at the red LED inside the servo unit. It should be off. Press the "set" button, the red LED should flash. Press the "resume" button, the LED should flash. Apply your brake (foot or hand or both) the LED should light. Good? Well, you might want to double check your servo wiring just in case. Follow the notes on the final page of the instruction manual to test voltages. Remember the switch you're using is the "open circuit switch"
If all voltages test ok and the LED blinks when it's supposed to and when you turn the key the (2) led's come on to illuminate your switches and when you press the "on" button the center LED comes on you're golden.
Note all thumbnails below will open to full size images (for printing) if you click on them)
|
|
|
|
|
|
|
|
|
|
|
|
|
|
|
|
|
|
|
|
Shown below are the instruction booklet part number, the description and (if necessary) the size.
17 tube clamp smallest
24 bead chain coupling
28 throttle bracket
29 throttle wire loop shortest
34 slot head shoulder bolt, lock washer & nut 1
(note: The kit Bob received had 3 sizes of tube clamps and 2 lengths of wire loop. I noticed in the installation
manual that the call out is for 4 sizes of tube clamp and only 1 wire loop. Don't know what gives there but even
with the longer wire loop it will still work but you will need to adjust the cable mounting down a hole.)
Here we go: wire loop (29) with coupling (24) attached goes to bell crank same as bracket #1 in instructions.
Measure down approx. 1” from big hole on throttle bracket (28) and mark. Place bracket in vise with big hole down
and clamp at mark. Using small crescent wrench twist remaining part of bracket ¼ turn clockwise.
Attach servo cable to throttle bracket using smallest tube clamp (17) & hardware (34). Cable will be to the
right side of the bracket. Place tube clamp (17) over third (middle) hole & attach with hardware (34).
Attach cable from servo to coupling (24) at wire loop (29). Attach throttle bracket (28) as per instructions for
bracket #2 leaving stock loop bracket bent up and to the rear slightly to allow clearance for the coupling (24).
I looped the servo cable under the idle speed adjustment knob.
You will need a 5/16” ignition wrench and a right angle flat blade screwdriver to tighten the hardware (34) after
taking out the slack. It is an extremely tight fit but it worked on my scoot.
The Audiovox Cruise Control installed on Debbie's Nomad is complete and it performs flawlessly. Here
is a summary of a few changes that I made to the posted installation instructions, somewhat influenced by the install
of the same cruise control on my Valkyrie last year.
1. I used only ONE tap on the vacuum canister. Note: after the check valve from the M/C vacuum line,
I inserted a second "T" fitting to connect to the vacuum canister AND to the Servo, effectively it expands
the servo vacuum chamber before the check valve.
2. The switch bracket (like the Valkyrie) was mounted on the left mirror stem base. I felt it was easier
to hold the throttle at the desired degree of acceleration and tap the cruise "set" with my left thumb.
3. The female connector for the right coil is also readily available from Radio Shack, Part #64-3064 "Quick
Connect Adapter Set" for $1.69. I also changed the servo harness dark blue wire connector tip from a
male to a female to snap on to the Radio Shack Adapter along side the M/C harness female, with the Radio Shack
Adapter attached to the coil.
4. By using the shortest throttle wire loop and the 9-ball chain, I found it easier to fabricate an aluminum
bracket measuring 1/8"x3/4"x5" and installed vertically on the 8mm bolt (2nd to the right of the
oil fill cap) on the crank case cover. Other than the attachment end at the 8mm bolt, I almost duplicated
the throttle mounting bracket (28), including the duplication of the holes to attach the servo cable using the
smallest tube clamp. (Nice movement clearance behind the backing plate of the air box) 
5. The existing Kawasaki bracket was converted to one similar to Wilfred's(#4), as follows: Snap off the left mounting
tab (that is pointed in the opposite direction of the one on the right). I straightened the bend in the left
side of the bracket by inserting a small drill bit and kept inserting as I straightened to prevent the tubing from
collapsing. I re-attached it to the bike using a tube clamp exactly like the small tube clamp (#17), but
pointed to the left (like Wilfred's).
Max French
More Options from Roy Prymek
Roy used his dresser bar as a vacuum canister instead of the PVC mentioned
above. Going this route leaves a lot more space behind the left side
cover for other items like aftermarket fuel control modules, especially on the
1600 
Roy's instructions:
I had to plug the existing holes in the crash bar because they were not
centered where a tap could go into the hole deep enough to do its job. I
plugged the holes by coating some bolts with JB Weld and persuaded them into the
holes. Drilled and taped a new hole on the left side (think I used drill
size Q for the 1/8-27 tapered pipe thread). The result is a vacuum line
connection at the top
and at the bottom of the bar. 
Since I already had the left side cover off of the engine, I ran the vacuum line under the cover (see photo right) with the wiring cables that are there hose coming up from the bottom). I hung the check valve next to the fuel separator . This hose is connected to one side of a Tee fitting. The Tee fitting is also connected to the check valve and to the CC servo unit.
Cactus Jack's Vacuum Canister Alternative
CJ's let side cover was already occupied by an auxiliary fuse box so there was no room for the vacuum canister shown above. He ended up using a section of 1" PVC, 2 1" slip couplings and 2 1" plugs as shown at right.
The length of the assembled unit is about 10" end-to-end. The slip in
plugs used provide strength and crush resistance to the pipe which will be
clamped to
the bike (under the radiator) as shown at right. Jack made up some simple
brackets to hold the reservoir under the radiator. The brass fittings are
tapped into the side of the pipe and hose is then routed up the frame tube and
back to the servo.
Addendum, things I've learned after using the CC for a few thousand miles
1. My cable (or the chain or maybe the whole assembly) stretched a couple of millimeters over the first week of use. Keep an eye on this or you'll find your top speed using the CC continues dropping. It's only because the cable isn't able to pull the throttle open far enough to go any faster. Re-adust the slack.
2. After experimenting with the sensitivity setting on 'high' (#5 dip switch 'on') I went back to the 'medium' setting (#5 off). With #5 on there was a surge of speed (just a couple of mph) when the CC was initially engaged. There was no difference in performance otherwise so it was back to 'medium' to avoid that surge.
3. If you do much group riding don't remove your throttle lock. You're probably familiar with the 'rubber band' or 'accordion' effect that goes on when riding in formation, even at highway speeds (usually because some dolt in front of you isn't paying attention and is using his/her throttle like an on/off switch). A throttle lock will allow you to rest your right wrist while still making on the spot adjustments to speed. Obviously the cruise control will have no idea it's trying to run you up onto the guys cargo rack in front of you so, unless you're the ride leader forget about using the CC.
4. One rider/installer has reported his CC servo filled with water. He isn't sure whether it was from riding in rain a lot or from frequent use of a high pressure car wash but he has decided to wrap his servo in a plastic bag to prevent it happening again. If you ride in rain you might want to consider weather protection for the servo.
5. Benny Buice wrote to tell me the LED in the servo wouldn't light when he applied his brakes and the CC wouldn't cancel when he applied brakes. A mystery indeed until Benny remembered he had LED brake lights. Here's the problem. The servo looks for the brake light pin to return to zero volts and LED's never return to zero. He put regular bulbs back in the sockets and the CC worked perfectly.