Nomad Wiring Diagrams
Gadget

Please note these were scanned as very large files to provide detail on your screen or if you decided to print them out. The images could take quite awhile to load if you are using a dial up connection. Due to the detail you'll have to scan back and forth a bit if you're viewing at 600x800. To print the diagrams you should set your printer preferences as "Scale to Fit" or whatever similar setting your printer offers. If you're planning serious electrical work and have a bike other than the models listed below please purchase a proper manual.

Wiring Diagrams for the Vulcan Classic are probably identical but test connections to be certain before hooking things up or making any modifications.

L-3 Owners Use The L-2 Schematic. There may be minor differences so test before making any mods

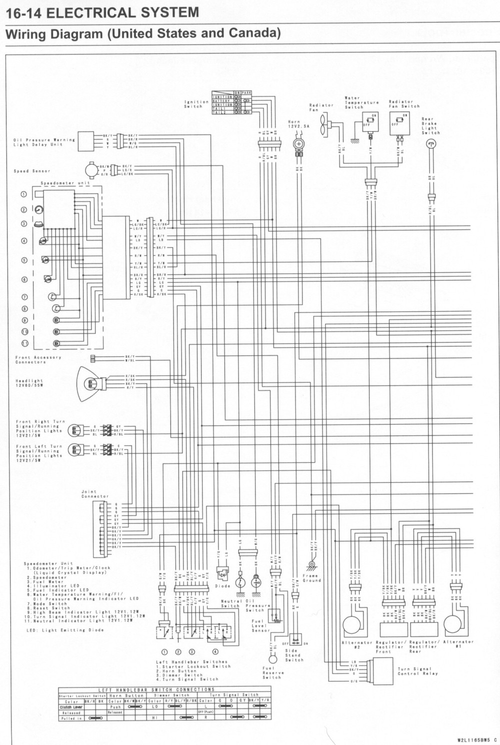
1600 Classic Wiring Diagram Page 1
This diagram should be the same for 1600 Nomad

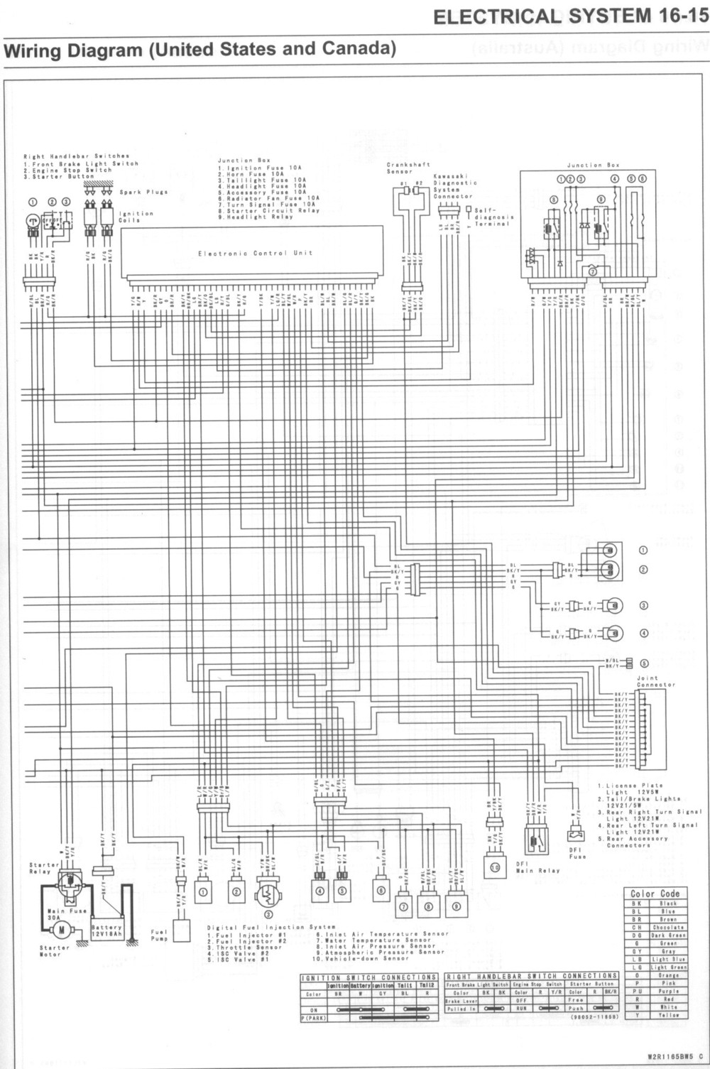
1600 Classic Wiring Diagram Page 2
This diagram should be the same for 1600 Nomad

View Nomad FI
L-1 Model Wiring Diagram Page 1

View Nomad FI
L-1 Model Wiring Diagram Page 2

View Nomad FI
L-2 Model Wiring Diagram Page 1

View Nomad FI
L-2 Model Wiring Diagram Page 2